Axial-Rohrventilator ex-geschuetzt DN 450
6851214
0086.0711
DZR45/6B-EX-E
auf Anfrage
je 1
keine Verfügbarkeitsinformationen
Funktionen
Verkaufsdaten
| Mindestbestellmenge | 1 |
| Bestellschritt | 1 |
Beschreibung
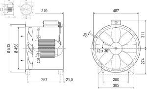
Produktausführung: Für Einsatztemperaturen von -20 °C <= Ta <= +40 °C. Besondere Eigenschaften: Axial-Rohrventilator, explosionsgeschützt, Medium Gas. Explosionsschutz und Zulassungen nach ATEX und IECEx. Ex II 2 G Ex eb IIB + H2 T3/T4 Gb / Ex II 2 G Ex h IIB + H2 T3/T4 Gb. Einsatztemperaturen abhängig von Temperaturklasse: T3 -20 °C <= Ta <= +60 °C, T4 -20 °C <= Ta <= +40 °C. Für alle Gase und Dämpfe der Ex-Gruppe IIA und IIB und zusätzlich für Wasserstoff qualifiziert. MAICO Ex-Ventilatoren erfüllen die Sicherheitsanforderungen der Europäischen Richtlinie RL 2014/34/EU für Geräte und Schutzsysteme in explosionsgefährdeten Bereichen. Für Zone 1 und 2. Zündschutzarten: e - erhöhte Sicherheit und c - konstruktive Sicherheit. Schutzart IP 64. Für Be- oder Entlüftung umschaltbar. Rohrhülse aus verzinktem Stahlblech, beidseitig mit Flansch - Lochbild nach DIN 24155. Zur einfachen und direkten Montage in ein Rohrsystem. Einbau in jeder Lage möglich. Laufrad: Axiallaufrad aus leitfähigem Kunststoff. Wuchtgüte der Motor-Laufradkombination G 6,3 nach Kategorie BV-3 gemäß ISO 14694. Förderrichtung: Die Förderrichtung ist gekennzeichnet. Standard Abluftbetrieb, Förderrichtung über Motor saugend. Motor: Robuster Drehstrommotor mit Kugellager, wartungsfrei. Reversierbar. Reversierbetrieb: Der Volumenstrom verringert sich um ca. 35 % bei anomaler Förderrichtung. Betriebsart S1 (Dauerbetrieb). Drehzahlregelung mit Transformator TR... möglich. Ausnahme: DZR 35/2 B Ex... Die Temperatur im Ventilatormotor wird durch Kaltleiter überwacht. Die Kaltleiter müssen an ein Auslösesystem (Sicherheitseinrichtung gemäß Richtlinie RL 2014/34/EU) angeschlossen werden, das den Ventilator bei zu hohen Temperaturen dauerhaft vom Netz trennt. Als Auslösesystem wird das MAICO-Kaltleiterauslösesystem MVS 6 oder TMS empfohlen. Elektrischer Anschluss: Klemmenkasten am Ventilator montiert, Ex-geschützt, mit Kabelverschraubung. Sicherheitshinweise: Ventilator bei freier Ansaugung oder Ausblasung nur in Betrieb nehmen, wenn der Berührungsschutz des Flügelrades gemäß DIN EN ISO 13857 gewährleistet ist, z. B. mit Schutzgitter SG.Artikel: DZR 45/6 B Ex e, Fördervolumen: 4160 m3/h, Drehzahl: 965 1/min, Laufradtyp: axial, Drehzahlsteuerbar: ja, Reversierbarkeit: ja, Spannungsart: Drehstrom, Bemessungsspannung: 400 V, Netzfrequenz: 50 Hz, Nennleistung: 150 W, cosphi: 0,38, INenn: 0,56 A, Imax bei UNenn: 0,61 A, Schutzart: IP 64, Wärmeklasse: F, Einbaulage: senkrecht / waagerecht, Material: Stahlblech, verzinkt, Material Gehäuse: Stahlblech, verzinkt, Farbe: verzinkt, Gewicht: 15,03 kg, Gewicht mit Verpackung: 17,25 kg, Nennweite: 450 mm, Breite: 571 mm, Höhe: 571 mm, Tiefe: 310 mm, Breite mit Verpackung: 572 mm, Höhe mit Verpackung: 580 mm, Tiefe mit Verpackung: 340 mm, EX-Bezeichnung nach ATEX-Richtlinie: Ex II 2 G, EX-Bezeichnung nach Norm: Ex eb IIB + H2 T4 Gb / Ex h IIB + H2 T4 Gb, Ta-Umgebungstemperatur: -20 °C <= Ta <= +40 °C, IA/IN: 3,1, Zeit tA: 240 sek, Betriebsart: S1, PTC DIN 44082: M 100, EG-Baumusterprüfbescheinigung: TÜV-A 19 ATEX0103 X, IECEx EPS 19.0019X, Temperaturklasse: T4, Wärmeklasse von Isolierstoffen Th. Cl.: 155 (F)
Merkmale
| EAN | 4012799867111 |
| Marke | SIBLIK Elektrik GmbH & Co. KG |
| EGRA | 6851214 |
| Lieferantenartikelnummer | 0086.0711 |
| Herstellerartikelnummer | DZR45/6B-EX-E |
| RoHS-konform | NOT_RELEVANT |
| VEG3 | 1.4 |
| UNSPSC V24 | 40101604 |
| ESN 3.3 | KEA |
| VEG2 | 7.2 |
| eClass 6.0 | 22410905 |
| GdB | 009008001 |
| Statistiken | H1104 |
| eClass 5.0 | 36430990 |
| eClass 7.0 | 36430903 |
| eClass 10.1 | 36430903 |
| eClass 8.0 | 36430903 |
| VEG | 7 |
| UNSPSC | 40101604 |
| UNSPSC V6.0801 | 40101604 |
| eClass 4.0 | 36431902 |
| ETIM 7.0 | EC001342 |
| Explosionsschutz-Kategorie für Gas | ATEX Gas-Ex-Schutz, Kat. 2G |
| Frequenz | 0...50 |
| Für Ex-Zone Gas | 1, 2 |
| Kanalbreite | 571 |
| Kanalhöhe | 571 |
| Leistungsaufnahme | 150 |
| Luftmenge unbelastet | 4160 |
| Mediumtemperatur | -20...40 |
| Nennspannung | 0...400 |
| Schutzart (IP) | IP64 |
| Temperaturklasse nach Richtlinie 94/9/EG | T4 |
| Werkstoff des Gehäuses | Stahl |
| Zolltarifnummer | 84145925 |